
Via Alessandro Coti Zelati 52, Paderno Dugnano (MI)
20037
Italia
Oggi si parla molto di risparmio energetico, pannelli solari, pompe di calore ed efficienza energetica.
I nostri tecnici con 20 anni di esperienze in sinergia coi nostri arredatori, sapranno consigliarvi la migliore soluzione economica, che Vi soddisfi appieno, senza voli pindarici e/o promesse da Mago, ma realizzando un' impianto di facile gestione, utilizzo e che rispetti le Vostre esigenze. Sia esso a Split esterni, a Pannelli Radianti, Canalizzato etc .. verrà integrato nella vostra struttura, nel vostro arredamento in modo da renderlo il meno invasivo possibile



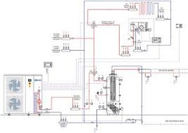
Macchina esterna Mono, Dual, Trial, Poker
Split interno di Design
Split interno di Design



Meglio pensare prima che procedere a Vista
Collettore multi vie
Ventilazione Meccanica Controllata, per avere una casa sana un' aria pulita e vivere senza Muffa
Via Alessandro Coti Zelati 52, Paderno Dugnano (MI)
20037
Italia